ŠIBENIK, SRIMA - Luxusní penthouse se střešní terasou, výhledem na moře a výtahem, 70 m od pláže
| č. ev | DN-43222 |
| Typ nabídky | Prodej |
| Kategorie | Byty |
| Okresy | Šibensko-kninska |
| Obec, část obce | Vodice |
| Cena | 557 392 € |
| Plocha celkem | 123 m² |
| Plocha bydlení (bytu) | 123 m² |
| Vzdálenost od moře | 70 m |
| Elektřina | |
| Voda | |
| Klimatizace | |
| Topení | ano |
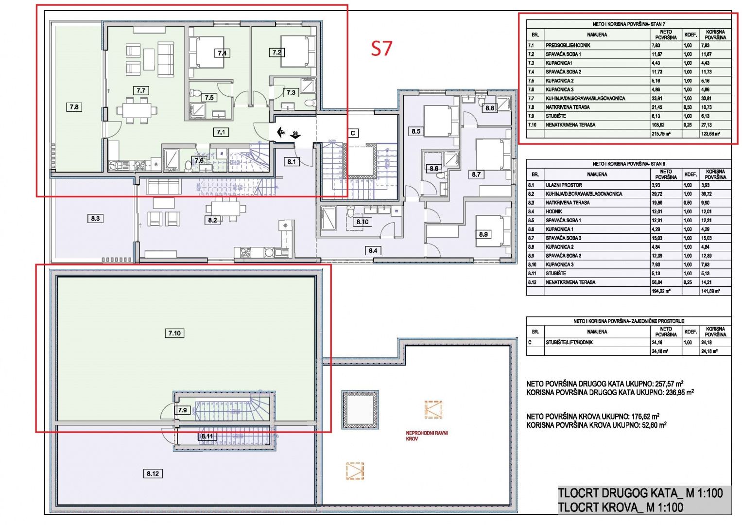
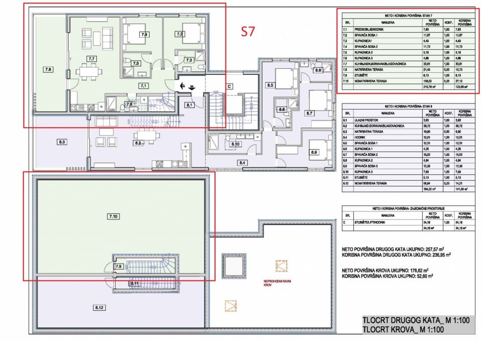
ŠIBENIK, SRIMA – Luxusní penthouse se střešní terasou, výhledem na moře a výtahem, 70 m od pláže DUX Nekretnine představuje exkluzivní penthouse S7, který se nachází ve druhém patře moderní novostavby s celkem osmi bytovými jednotkami, v mimořádně atraktivní lokalitě v Srimě, pouhých 70 metrů od moře a pláže, ve druhé řadě od moře. Tato unikátní nemovitost kombinuje špičkovou kvalitu konstrukce, moderní design a prestižní polohu – ideální volbu pro luxusní rodinný život, dovolenou nebo investici s výjimečným potenciálem pronájmu. Penthouse S7 nabízí prostorné a funkční uspořádání se dvěma ložnicemi, každá s vlastní koupelnou, další třetí koupelnou a prostorným obývacím pokojem s otevřeným konceptem, který kombinuje kuchyň, jídelnu a obývací pokoj. Obývací pokoj se otevírá na krytou terasu o rozloze 21,45 m², ideální pro relaxaci a užívání si středomořské atmosféry. Zvláštností této nemovitosti je impozantní střešní terasa o rozloze 108,52 m², která nabízí panoramatický výhled na moře - ideální místo pro soukromé opalování, vířivku, letní kuchyň nebo venkovní posezení. Apartmán je orientován směrem k moři, což zajišťuje dostatek přirozeného světla a nádherný výhled po celý den. Budova má výtah a k apartmánu náleží i jedno parkovací místo. Celková čistá plocha apartmánu je 215,79 m², zatímco užitná obytná plocha je 123,68 m². Půdorys (čistá plocha): Vstupní hala / chodba: 7,83 m² Ložnice 1: 11,87 m² Koupelna 1 (s vlastní koupelnou): 4,43 m² Ložnice 2: 11,73 m² Koupelna 2 (s vlastní koupelnou): 5,16 m² Koupelna 3: 4,86 m² Kuchyň, obývací pokoj a jídelna: 33,81 m² Krytá terasa: 21,45 m² Schodiště: 6,13 m² Střešní terasa: 108,52 m² Celková čistá plocha: 215,79 m² Užitná obytná plocha: 123,68 m² Vybavení a funkce: Vzdálenost od moře a pláže: 70 m / 1 minuta chůze Druhé patro s panoramatickým výhledem na moře Výtah v budově Dvě ložnice, každá s vlastní koupelnou (en-suite) Celkem tři koupelny Prostorná střešní terasa 108,52 m² Krytá terasa s výhledem na moře Otevřený obytný prostor: kuchyň, jídelna a obývací pokoj Jedno parkovací místo v ceně Venkovní truhlářské práce z vysoce kvalitních hliníkových profilů se šesti komorami a trojitým sklem s vynikající energetickou účinností - vnější strana profilu v bronzové barvě, vnitřní strana v bílé - elektricky ovládané rolety a sítě proti hmyzu - zdvižně-posuvné stěny, kování a kliky od renomovaných výrobců Bezpečnostní a protipožární vstupní dveře od renomovaného výrobce s certifikátem Vnitřní dveře se skrytými panty a magnetickými zámky - zárubně a lišty z masivního dřeva Skleněné terasové zábradlí typu Lamistal 2x1 cm Stěny a stropy omítnuté a natřené bílou barvou Vnitřní kamenné parapety Plano, tloušťka 3 cm, leštěné a s profilovanými hranami V interiéru a na terasách jsou podlahové krytiny a dlažba extra třídy Koupelny obložené keramickými dlaždicemi až ke stropu Podlahové vytápění v celém bytě Klimatizace v obývacím pokoji (5,0 kW invertor) a v ložnicích (2,5 kW invertor na místnost) Sanitární vybavení od renomovaných výrobců (Kolpa-san, Hansgrohe) Vestavěné splachovací nádržky (Liv, Geberit), skleněné sprchové stěny a žlaby (Voxort nebo podobné) Modulární vypínače a zásuvky od výrobce TEM v bílé barvě Osvětlení v koupelnách a na terasách stropní světla, v ostatních prostorách zásuvky se žárovkou Pozemní a satelitní anténa s přípojkami v obývacím pokoji a ložnicích Renomovaný dodavatel s osvědčenou pověstí Tato moderní novostavba v Srimě nabízí dokonalou rovnováhu mezi luxusem, pohodlím a funkčností v bezprostřední blízkosti moře a pláže. Vynikající příležitost pro ty, kteří hledají exkluzivní penthouse s panoramatickým výhledem na moře a prostornou střešní terasou v klidném, ale velmi žádaném prostředí. Srima je klidná a okouzlující přímořská vesnice známá svými dlouhými oblázkovými plážemi, křišťálově čistým mořem a uvolněnou středomořskou atmosférou. Díky blízkosti Vodice a Šibeniku nabízí perfektní rovnováhu mezi klidem a dostupností veškerého vybavení potřebného pro pohodlný život. Pro veškeré další informace a prohlídky nás prosím kontaktujte.
U všech našich nabídek jsou ceny nemovitostí identické jako při koupi přímo u agentury/developera v Chorvatsku, a to díky tomu, že jsme oficiální zastoupení těchto kanceláří na Českém, Slovenském, Německém a Rakouském trhu. A to bez dodatečných navýšení za služby v českém jazyce (mimo překladů smluv ověřených notářem).
Vážení klienti, prohlídka nemovitostí, sdělení polohy a další podrobné informace je možné pouze s podepsanou smlouvou o zastoupení, která je základem pro další akce jako je nákup nemovitosti. Vše je dle Zákona o zprostředkování při koupi nemovitostí. Kupující platí zákonnou provizi za zastoupení ve výši 3 % (+ DPH) z dohodnuté ceny, a to pouze v případě koupě nemovitosti. V případě, že se koupě neuskuteční, smlouva Vás k ničemu nezavazuje, a ruší se. V případě vážného zájmu o nemovitost Vám smlouvu zašleme na požádání.
Odpovíme Vám do 24 hodin.
Nabízíme pouze prověřené reality.
Ručíme za kvalitní servis.
Pomůžeme zajistit ubytování při prohlídkách.